Fibocom_MC661-CN
發布時間:2023-02-24 17:18:57
瀏覽次數:次
MC661-CN 是款適用于 FDD/TDD 多種網絡制式、多頻段的,寬帶無線終端產品。MC661-CN產品包含的適用子型號說明如下:

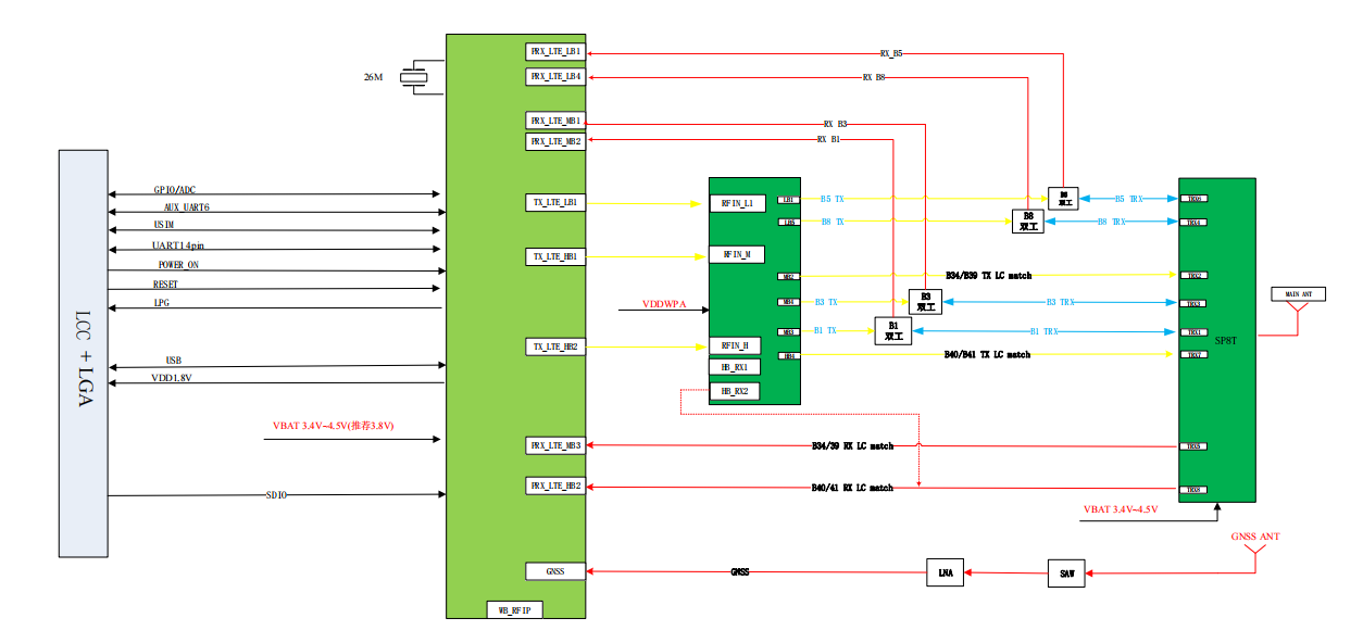
MC661-CN 系列產品的硬件由以下幾方面構成:
? 基帶部分:CPU, Memory,26M
? 射頻部分:RF Transceiver, RF PA, RF filter Antenna
內部結構框圖

上一篇:Fibocom_MC669-CN

