Quectel_BC35-GR&BC95-BxR_NB-IoT
發布時間:2023-04-12 10:54:30
瀏覽次數:次
BC35-GR、BC95-B5R 和 BC95-B8R 是移遠推出的高性能、低功耗的 NB-IoT 無線通信模塊。其中 BC35-GR 為多頻段模塊,支持 B3/B5/B8 頻段,而 BC95-B5R 和 BC95-B8R為單頻段模塊,分別支持 B5 和 B8 頻段。模塊尺寸僅為 23.6 mm × 19.9 mm × 2.2 mm,能最大限度地滿足終端設備對小尺寸模塊產品的需求,同時有效地幫助客戶減小產品尺寸并優化產品成本。在設計上兼容移遠通信 NB-IoT 系列的 BC35-G 和 BC95 R2.0 模塊,方便客戶快速、靈活的進行產品設計和升級。 BC35-GR、BC95-B5R 和 BC95-B8R 提供豐富的外部接口和協議棧,為客戶的應用提供極大的便利。
模塊采用更易于焊接的 LCC 封裝,可通過標準 SMT 設備實現模塊的快速生產,為客戶提供可靠的連接方式,并滿足復雜環境下的應用需求。
憑借緊湊的尺寸和超低功耗,BC35-GR、BC95-B5R 和 BC95-B8R 成為物聯網應用領域的理想選擇,常被用于無線抄表、共享單車、智能停車、智慧城市、安防、資產追蹤、智能家電、農業和環境監測以及其它諸多行業,以提供完善的短信和數據傳輸服務。
主要優勢
LCC 封裝,適合批量生產
超低功耗、超高靈敏度,尺寸緊湊
支持多種物聯網平臺
支持多頻段及豐富外部接口,內嵌網絡服務協議棧,應用便利
封裝設計兼容移遠通信 NB-IoT 系列的 BC35-G和 BC95 R2.0模塊,易于產品升級小功率省電設計
通過提供參考設計、評估板和及時的技術支持可滿足客戶產品快速上市的要求

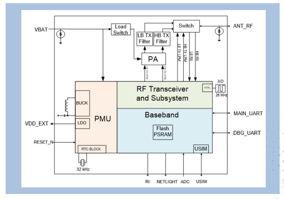
硬件結構參考

LPWA 產品應用領域
上一篇:Fibocom_MC927-CN
下一篇:Quectel_BC95-G

